|
Количество
|
Стоимость
|
||
|
|
|||
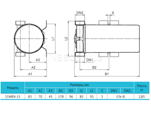
Электронасосы вихревые повышающие 15WBX
ГАРАНТИЯ 24 МЕСЯЦА
Область применения:
Электронасосы вихревые повышающие серии 15WBX предназначены для повышения давления в системах водоснабжения в квартирах, частных домах и коттеджах. Благодаря конструкции рабочего колеса могут перекачивать жидкости, в которых присутствует воздух или газ. Являются хорошим решением там, где необходимо повысить входное давление при относительно небольшой объемной подаче.
Ограничения
-
перекачиваемая жидкость: вода или другие жидкости, сходные с водой по плотности и химической активности
-
общая минерализация воды, не более 1500 г/м3
-
показатель рН 6,5 – 9,5
-
содержание механических примесей, не более 20 г/м3
-
максимальный размер частиц, не более 0,05 мм
-
максимальная температура перекачиваемой жидкости: +40°С
-
максимальная температура окружающей среды: +40°С
-
максимальное рабочее давление: 0,6 МПа (6 бар)
Конструктивные характеристики
-
моноблочные горизонтальные с одним рабочим колесом
-
корпус насосной камеры из латуни
-
колесо рабочее – вихревое, выполнено из латуни
-
вал из нержавеющей стали AISI 420
-
уплотнение торцовое – графит/керамика/NBR/AISI 304
-
укомплектован датчиком протока
-
гайки соединительные в комплекте
-
укомплектован кабелем питания
Двигатель
-
асинхронный двухполюсный с короткозамкнутым ротором, с самовентиляцией
-
степень защиты IP44
-
класс нагревостойкости изоляции В
-
однофазное исполнение с установленным в коробку выводов конденсатором
-
напряжение питания: 220 В, 50 Гц
-
режим работы: продолжительный



